• 浙江省宁波市镇海区澥浦镇慈海北路1657号 浙江省宁波市镇海区澥浦镇慈海北路1657号
  • joan@cxblbearing.com 21374446@qq.com
宁波赫威液压科技有限公司
  • 首页
  • 关于我们
    • 公司简介
    • 设备展示
  • 产品展示
    • 液压马达
    • 液压回转装置
    • 轮边驱动行星减速机
    • 液压绞车
  • 新闻中心
    • 企业新闻
    • 行业新闻
  • 下载中心
  • 应用领域
  • 联系我们
宁波赫威液压科技有限公司

网页菜单

  • 首页
  • 关于我们
    • 公司简介
    • 设备展示
  • 产品展示
    • 液压马达
    • 液压回转装置
    • 轮边驱动行星减速机
    • 液压绞车
  • 新闻中心
    • 企业新闻
    • 行业新闻
  • 下载中心
  • 应用领域
  • 联系我们

产品搜索

关闭菜单

首页 > 产品展示 > 液压回转装置 > C系列低速大扭矩回转装置

C系列低速大扭矩回转装置

产品展示

  • 液压马达

    • 摆线液压马达
    • 外五星液压马达
    • 内五星液压马达
    • 赫格隆液压马达
    • 杜斯特罗液压马达
    • 波克兰液压马达
  • 液压回转装置

    • C系列低速大扭矩回转装置
    • 邦飞利系列回转装置
    • 浓缩机专用回转装置
    • 非标定制回转装置
  • 轮边驱动行星减速机

  • 液压绞车

联系我们
不断创新,以好的产品,专业的服务满足不同客户的需求。

联系电话:13600629168

联系我们
HYP系列回转减速机002

HYP系列回转减速机002

所属分类:C系列低速大扭矩回转装置

电话:13600629168
  • 分享:
  • 产品概述
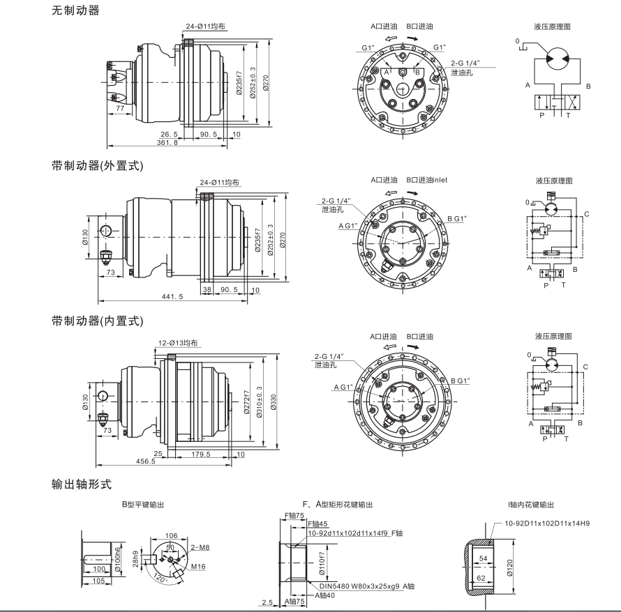
  • 外形尺寸

HYP系列回转减速机由液压马达、行星减速器、片式制动器及各种功能配流器组成。它具有径向尺寸小、重量轻、扭矩大、输出轴可承受较大的径向与轴向外力,起动效率高(0.87~0.9),良好的低速稳定性,传动效率高,低噪音,经济性好等特点。因而广泛适用于建筑工程、铁路、公路、船舶、石油、煤矿、冶金等各种机械中。根据不同需要,用户可选配制动器及集成各种功能阀件的配流器。

选型说明

1、HYP系列回转减速机允许在高背压下工作。在连续工作时,许用背压10MPa.

2.、壳体允许最高压力为0.3MPa·如有特殊要求,请与厂家联系。

3、液压油:建议使用高质量、防泡沫、抗氧化,的矿基液压油,理想工作油温30℃~50℃,允许油温-20℃~80℃,当油温高于60℃或低于10℃时,必须用低凝液压油。液压油的粘度为40-60厘拖,允许为5~300厘拖。

4、液压油过滤精度推荐为25μm·或更高过滤精度。

5、液压传动装置均为可双向旋转,具体转向见附图。如用户要求与图示转向相反,请在订货时注明。

6、泄油管定位:HYP转动装置允许任何方向安装,为保证马达各运动副的润滑,要求在工作之前将马达壳体内充满液压油。

7、配留器进出油口方向:配流器进出油口方向允许按外形安装联接位置以72度为间隔旋转,但当松开螺钉旋转时,要当心不能损坏平面O型圈的密封功能。

3.png

参数说明

1、总排量为液压马达排量乘以减速传动比。

2、额定扭矩是在系统压力为16MPa或20MPa时,参考传动效率后的实际输出扭矩。

3、传动效率包括液压马达的效率和行星减速机效率。

选型举例

HYP3-1000CD31H表示 宁波赫威HYP型回转减速机,该减速机采用单级行星齿轮传动,齿轮箱模数为3,总排量为1000ml/rec,输出轴采用螺纹联接,液压马达配流器D31,额定压力等级为20MPa。


4.png

相关产品

  • HYP系列回转减速机005
    HYP系列回转减速机005

    6010

  • HYP系列回转减速机
    HYP系列回转减速机

    6010

  • HYP系列回转减速机008
    HYP系列回转减速机008

    6010

  • HYP系列回转减速机007
    HYP系列回转减速机007

    6010

contact us

联系信息

  • 地址: 浙江省宁波市镇海区澥浦镇慈海北路1657号
  • 电话: 13600629168
  • 手机: 18067108378
  • 联系人 刘先生
  • 邮箱:21374446@qq.com

取得联系我们非常重视您的留言,会尽快给您回复。

关于我们
  • 公司简介
  • 设备展示
产品中心
  • 液压马达
  • 液压回转装置
  • 轮边驱动行星减速机
  • 液压绞车
新闻资讯
  • 企业新闻
  • 行业新闻
联系我们
回到顶部

Copyright © 2025- 版权所有:宁波赫威液压科技有限公司 All Rights Reserved.     浙ICP备2023007521号-1