• 浙江省宁波市镇海区澥浦镇慈海北路1657号 浙江省宁波市镇海区澥浦镇慈海北路1657号
  • joan@cxblbearing.com 21374446@qq.com
宁波赫威液压科技有限公司
  • 首页
  • 关于我们
    • 公司简介
    • 设备展示
  • 产品展示
    • 液压马达
    • 液压回转装置
    • 轮边驱动行星减速机
    • 液压绞车
  • 新闻中心
    • 企业新闻
    • 行业新闻
  • 下载中心
  • 应用领域
  • 联系我们
宁波赫威液压科技有限公司

网页菜单

  • 首页
  • 关于我们
    • 公司简介
    • 设备展示
  • 产品展示
    • 液压马达
    • 液压回转装置
    • 轮边驱动行星减速机
    • 液压绞车
  • 新闻中心
    • 企业新闻
    • 行业新闻
  • 下载中心
  • 应用领域
  • 联系我们

产品搜索

关闭菜单

首页 > 产品展示 > 液压马达 > 内五星液压马达

内五星液压马达

产品展示

  • 液压马达

    • 摆线液压马达
    • 外五星液压马达
    • 内五星液压马达
    • 赫格隆液压马达
    • 杜斯特罗液压马达
    • 波克兰液压马达
  • 液压回转装置

    • C系列低速大扭矩回转装置
    • 邦飞利系列回转装置
    • 浓缩机专用回转装置
    • 非标定制回转装置
  • 轮边驱动行星减速机

  • 液压绞车

联系我们
不断创新,以好的产品,专业的服务满足不同客户的需求。

联系电话:13600629168

联系我们
HGM3液压马达

HGM3液压马达

所属分类:内五星液压马达

电话:13600629168
  • 分享:
  • 产品概述
  • 外形尺寸

HGM系列液压马达是本公司结合多年生产实践经验,在原有的技术基础上经行了设计改进。使HGM系列马达壳体强度增加,内部动态元件载能力增强。这一特点使该系列马达具有很高的连续功率范围。由于机械效率和容积效率高,同时又减少了内部单位负载力,因此减少了热量产生及与此相关的负面效应。其主要特点如下:

1、由于活塞与摆缸不存在侧向力,活塞底部设计成静压平衡,活塞与曲轴之间通过滚动轴承传递扭力,这些均减少了传力过程中的摩擦失。因而DGM系列液压马达具有很高的机械效率、高的启动扭矩(启动时机械效率92%以上)的特点。

2、平面配流器简单可靠,密封性好,泄漏很少。活塞与摆缸之间用塑料活塞密封无泄漏,因而有很高的容积效率(可达98%)。

3、由于结构上减少了摩擦损失,提高了密封性能,因而低速稳定性好,可以在10r/min工况下平稳运转,调速范围大(速度调节比可达1000)。

4、由于活塞与轴承套通过卡环贴牢不存在间隙,因而该系列液压马达可以作泵工况下运转,当进油口封闭马达可在自由轮工况下高速运转。

5、该系列液压马达压力高,最高可以达31.5Mpa。重量轻、体积小、功率高。

6、由于结构简单,设计合理,采用负荷能力大的轴承,因而工作可靠,寿命长、噪音低,传动轴允许承受径向力,旋转方向可逆。

产品适用范围

由于HGM系列液压马达具有上述一系列特点,故广泛用于塑料机械,轻工机械、冶金机械、矿山机械、起重运输设备、重型机械、石油煤矿机械、船舶甲板机械、机床、塑料、地质钻探设备等各种机械的液压传动系统中。特别适用于提升绞盘、卷筒机械、各种回转机械驱动、履带和轮子行走机构的驱动等传动机械中。

1.png

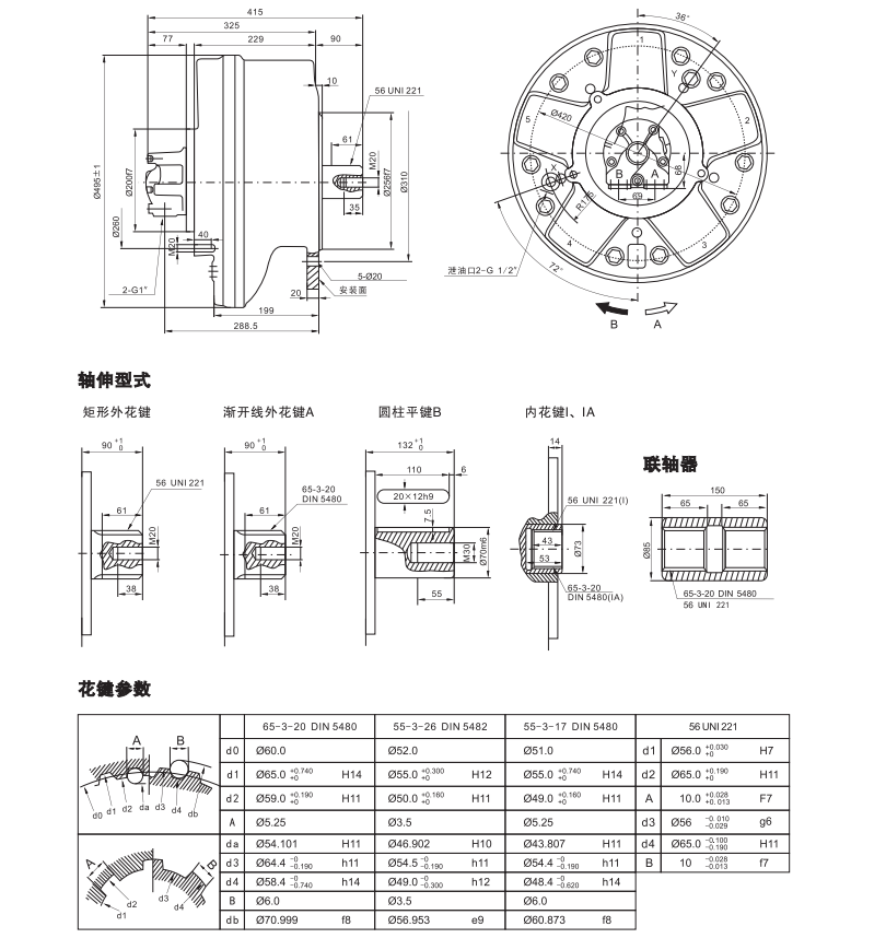
HGM2-500BD31表示宁波赫威摆缸曲轴HGM2系列,其名义排量为486ml/r;输出为平键轴,配流器型号为D31。订货时请按此填写完整的型号,若有特殊要求请在订货合同中详细说明。

3.png

相关产品

  • HGM3液压马达
    HGM3液压马达

    6010

  • HGM1液压马达
    HGM1液压马达

    6010

  • HGM5液压马达
    HGM5液压马达

    6010

  • 内五星液压马达
    内五星液压马达

    6010

contact us

联系信息

  • 地址: 浙江省宁波市镇海区澥浦镇慈海北路1657号
  • 电话: 13600629168
  • 手机: 18067108378
  • 联系人 刘先生
  • 邮箱:21374446@qq.com

取得联系我们非常重视您的留言,会尽快给您回复。

关于我们
  • 公司简介
  • 设备展示
产品中心
  • 液压马达
  • 液压回转装置
  • 轮边驱动行星减速机
  • 液压绞车
新闻资讯
  • 企业新闻
  • 行业新闻
联系我们
回到顶部

Copyright © 2025- 版权所有:宁波赫威液压科技有限公司 All Rights Reserved.     浙ICP备2023007521号-1